+4917684865334
sales@borgpumps.com
0
0

Warenkorb ist noch leer
#
#

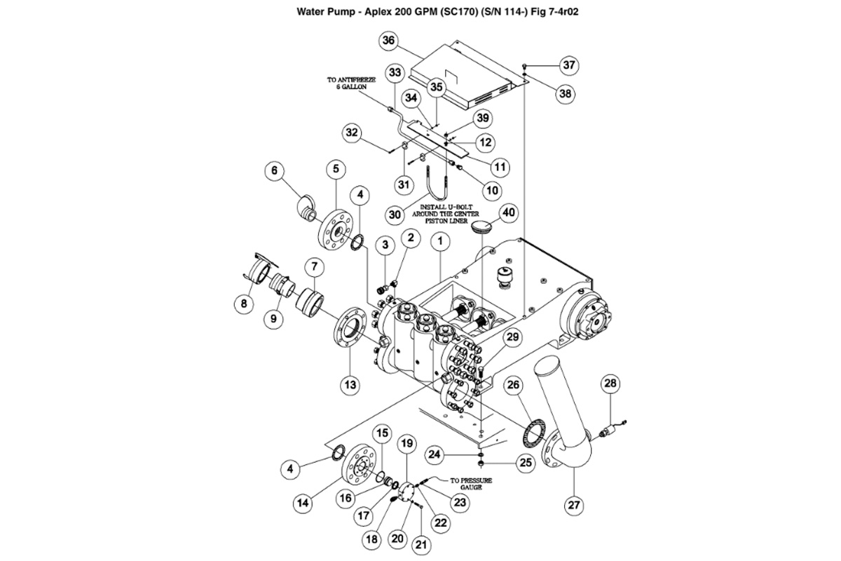
#1 - Frame - power 277780004
277780004 Frame - power (№1 on pic.) for mud pump on Vermeer D130x150 VBM Navigator horizontal directional drill. Parts for repair..
#2 - Cover - crankcase 277780005 Aplex 200 GPM
277780005 Cover - crankcase (№2 on pic.) for mud pump on Vermeer D80x100 Series II Navigator Aplex 200 GPM/ D130x150 VBM hori..
#2 - Fitting 1/2mnpt x 1/2mnpt 90 904831001
904831001 Fitting 1/2mnpt x 1/2mnpt 90 (№2 on pic.) for mud pump on Vermeer D100x120 Series II/D130x150 VBM Navigator horizontal d..
#3 - Coupler-1/2" npt quick/female 227235001
227235001 Coupler-1/2" npt quick/female (№3 on pic.) for mud pump on Vermeer D100x120 Series II/D9x13 S2/D130x150 VBM/D20x22 S2/D9..
#3 - Hex hd cap screw 3/8-16x3/4 277780006 Aplex 200 GPM
277780006 Hex hd cap screw 3/8-16x3/4 (№3 on pic.) for mud pump on Vermeer D80x100 Series II Navigator Aplex 200 GPM/D130x150 VBM ..
#4 - Gasket - crankcase cover 277780007 Aplex 200 GPM
277780007 Gasket - crankcase cover (№4 on pic.) for mud pump on Vermeer D80x100 Series II Navigator Aplex 200 GPM/D130x150 VBM hor..
#5 - Plug - 1/2" hex hd 277780008 Aplex 200 GPM
277780008 Plug - 1/2" hex hd (№5 on pic.) for mud pump on Vermeer D80x100 Series II Navigator Aplex 200 GPM/D130x150 VBM horizonta..
#6 - Seal - nitrile rubber 277780009 Aplex 200 GPM
277780009 Seal - nitrile rubber (№6 on pic.) for mud pump on Vermeer D80x100 Series II Navigator Aplex 200 GPM/D130x150 VBM horizo..
#7 - Seal - oil 277780010 Aplex 200 GPM
277780010 Seal - oil (№7 on pic.) for mud pump on Vermeer D80x100 Series II Navigator Aplex 200 GPM/D130x150 VBM horizontal direct..
#7 - Union - 4" hammer (1000psi) 287056001
287056001 Union - 4" hammer (1000psi) (№7 on pic.) for mud pump on Vermeer D100x120 Series II/D130x150 VBM Navigator horizontal di..
#8 - PolyPack ring-2" ID x 2 3/4" OD 277780011 Aplex 200 GPM
277780011 PolyPack ring-2" ID x 2 3/4" OD (№8 on pic.) for mud pump on Vermeer D80x100 Series II Navigator Aplex 200 GPM/D130x150 ..
#9 - Bolt - connecting rod 277780012 Aplex 200 GPM
277780012 Bolt - connecting rod (№9 on pic.) for mud pump on Vermeer D80x100 Series II Navigator Aplex 200 GPM/D130x150 VBM horizo..
Zeige 1 bis 12 von 113 (10 Seite(n))
Sie haben gerade gesehen

Spare parts for mud pump Vermeer Navigator D130x150 VBM